Trang chủ Vật Lý Lớp 7 Cho mạch điện gồm: Nguồn điện 6V, khóa K đóng,...

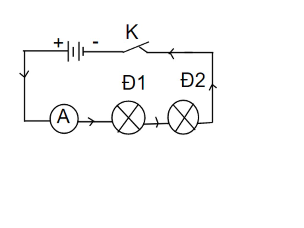
Cho mạch điện gồm: Nguồn điện 6V, khóa K đóng, hai đèn Đ1,Đ2 mắc nối tiếp nhau, một ampe kế dùng để đo cường độ dòng điện qua đèn Đ1 a/ Vẽ sơ đồ mạch điện? Vẽ

Câu hỏi :

Cho mạch điện gồm: Nguồn điện 6V, khóa K đóng, hai đèn Đ1,Đ2 mắc nối tiếp nhau, một ampe kế dùng để đo cường độ dòng điện qua đèn Đ1 a/ Vẽ sơ đồ mạch điện? Vẽ chiều dòng điện chạy qua mạch điện khi đèn sáng? b/ Biết số chỉ của ampe kế là 0.5A. Hãy cho biết cường độ dòng điện qua 2 đèn 2 và qua toàn mạch? c/ cho hiệu điện thế giữa hai đầu đèn 2 là 4V. Hỏi hiệu điện thế giữa hai đầu đèn 1 là bao nhiêu? e/ Tháo bỏ bớt đèn 2, nối hai đầu dây cho mạch điện kín lại. Hãy cho biết khi này số chỉ của ampe kế và độ sáng của đèn 1 thay đổi ra sao?

Lời giải 1 :

Đáp án:

 U2=4V

Giải thích các bước giải: U=6V

 a> vẽ 

b> Vì Đ1 nối tiếp Đ2: nên cường độ dòng điện qua Đ2 và toàn mạch: 
\({I_1} = {I_2} = I = 0,5A\)

c> U2=4V

Vì 2 Đ1 nối tiếp Đ2: 
\({U_1} + {U_2} = U \Rightarrow {U_1} = U - {U_1} = 6 - 4 = 2V\)

d> Tháo bớt đèn 2:

Thì hiệu điện thế qua đèn 1 tăng lên từ 2V lên 6V

Ta có: Điện trở đèn 1: 
\({I_1} = \dfrac{{{U_1}}}{{{R_1}}} \Rightarrow {R_1} = \dfrac{{{U_1}}}{{{I_1}}} = \dfrac{2}{{0,5}} = 4\Omega \)

Số chỉ ampe kế lúc sau: 
\({I_1}' = \dfrac{U}{{{R_1}}} = \dfrac{6}{4} = 1,5A;\)

Đèn sáng hơn

image

Thảo luận

Bạn có biết?

Vật lý học (tiếng Anh:physics, từ tiếng Hi Lạp cổ: φύσις có nghĩa là kiến thức về tự nhiên) là một môn khoa học tự nhiên tập trung vào sự nghiên cứu vật chất và chuyển động của nó trong không gian và thời gian, cùng với những khái niệm liên quan như năng lượng và lực.Vật lí học là một trong những bộ môn khoa học lâu đời nhất, với mục đích tìm hiểu sự vận động của vũ trụ.

Nguồn : Wikipedia - Bách khoa toàn thư

Tâm sự 7

Lớp 7 - Năm thứ hai ở cấp trung học cơ sở, một cuồng quay mới lại đến vẫn bước tiếp trên đường đời học sinh. Học tập vẫn là nhiệm vụ chính!

Nguồn : ADMIN :))

Copyright © 2021 HOCTAP247