Trang chủ Vật Lý Lớp 7 Cho mạch điện gồm nguồn điện một pin,hai bóng đèn...

Cho mạch điện gồm nguồn điện một pin,hai bóng đèn Đ1 và Đ2 mắc song song với nhau,1khoá ga (đóng) điều khiển chung cho hai đèn,ampe kế A đo cường độ dòng điện

Câu hỏi :

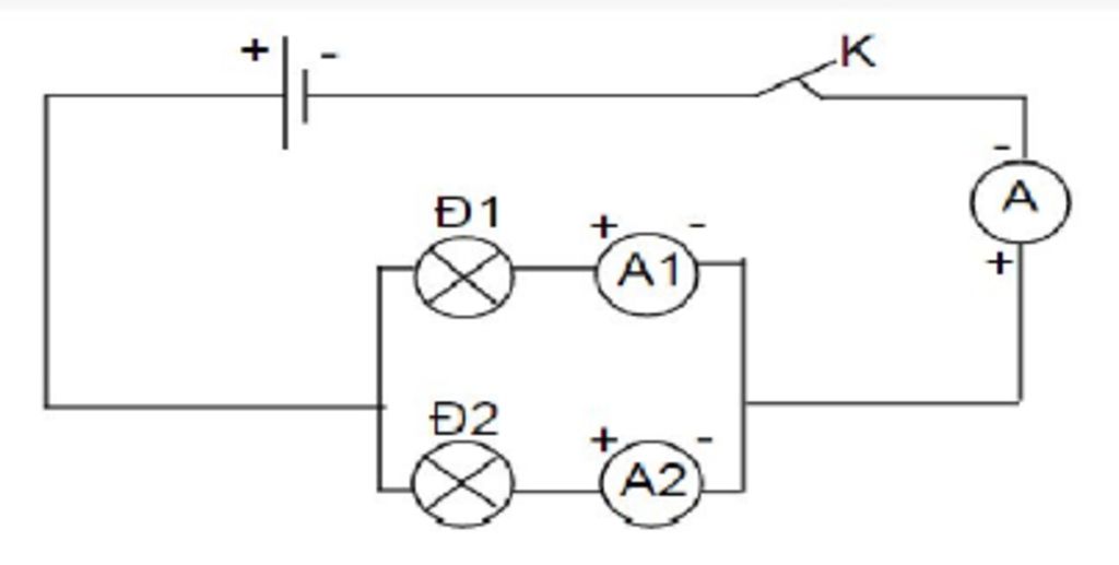
Cho mạch điện gồm nguồn điện một pin,hai bóng đèn Đ1 và Đ2 mắc song song với nhau,1khoá ga (đóng) điều khiển chung cho hai đèn,ampe kế A đo cường độ dòng điện chạy qua mạch chính,ampe kế A1 đo cường độ dòng điện chạy qua đèn Đ1 , ampe kế A2 đo cường độ dòng điện chạy qua đèn Đ2 a) vẽ sơ đồ mạch điện. Đừng mũi tên biểu diễn chiều dòng điện trong sơ đồ mạch điện b) Nếu ampe kế A1 chỉ 0,5A và ampe kế A2 chỉ 1A thì cường độ dòng điện I qua ampe kế A trong toàn mạch bao nhiêu

Lời giải 1 :

b. Vì bóng đèn 1 và bóng đèn 2 mắc song song, nên:

I=I1+I2=0,5A+1A=1,5A

 

image

Thảo luận

Lời giải 2 :

Đáp án:

 I=1,5A

Giải thích các bước giải:

 A> vẽ

B> Vì I1 song song với I2

Cường độ dòng điện toàn mach
\({I_1} = 0,5A;{I_2} = 1A \Rightarrow I = {I_1} + {I_2} = 1,5A\)

image

Bạn có biết?

Vật lý học (tiếng Anh:physics, từ tiếng Hi Lạp cổ: φύσις có nghĩa là kiến thức về tự nhiên) là một môn khoa học tự nhiên tập trung vào sự nghiên cứu vật chất và chuyển động của nó trong không gian và thời gian, cùng với những khái niệm liên quan như năng lượng và lực.Vật lí học là một trong những bộ môn khoa học lâu đời nhất, với mục đích tìm hiểu sự vận động của vũ trụ.

Nguồn : Wikipedia - Bách khoa toàn thư

Tâm sự 7

Lớp 7 - Năm thứ hai ở cấp trung học cơ sở, một cuồng quay mới lại đến vẫn bước tiếp trên đường đời học sinh. Học tập vẫn là nhiệm vụ chính!

Nguồn : ADMIN :))

Copyright © 2021 HOCTAP247