Trang chủ Vật Lý Lớp 11 Cho mạch điện: Uab=12V không đổi R1=R4=2Ω R2=6 Ω R3=1...

Cho mạch điện: Uab=12V không đổi R1=R4=2Ω R2=6 Ω R3=1 Ω a) Tính Rab và cường độ dòng điện qua mỗi điện trở b) Mắc tụ điện C=10µF vào mạch điện theo 2 trường hợ

Câu hỏi :

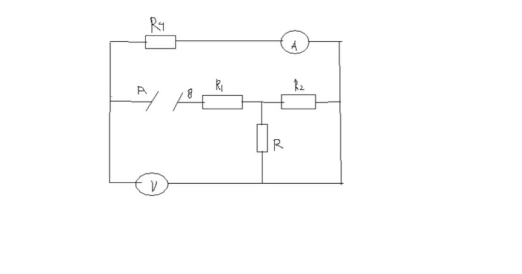
Cho mạch điện: Uab=12V không đổi R1=R4=2Ω R2=6 Ω R3=1 Ω a) Tính Rab và cường độ dòng điện qua mỗi điện trở b) Mắc tụ điện C=10µF vào mạch điện theo 2 trường hợp: Mắc vào 2 đầu DB Mắc nối tiếp với R3 Tính điện tích của mỗi tụ điện trong hai trường hợp

image

Lời giải 1 :

Đáp án:

Bạn bổ sung điểm D để giải câu B, gửi bạn đáp án

Giải thích các bước giải:

image

Thảo luận

-- Cho e hỏi chỗ Uc=Ur2=r2.It/m Sao mình không dùng r2.I2 mà lại dùng r2.It/m vậy ạ

Bạn có biết?

Vật lý học (tiếng Anh:physics, từ tiếng Hi Lạp cổ: φύσις có nghĩa là kiến thức về tự nhiên) là một môn khoa học tự nhiên tập trung vào sự nghiên cứu vật chất và chuyển động của nó trong không gian và thời gian, cùng với những khái niệm liên quan như năng lượng và lực.Vật lí học là một trong những bộ môn khoa học lâu đời nhất, với mục đích tìm hiểu sự vận động của vũ trụ.

Nguồn : Wikipedia - Bách khoa toàn thư

Tâm sự 11

Lớp 11 - Năm thứ hai ở cấp trung học phổ thông, gần đến năm cuối cấp nên học tập là nhiệm vụ quan trọng nhất. Nghe nhiều đến định hướng sau này rồi học đại học. Ôi nhiều lúc thật là sợ, hoang mang nhưng các em hãy tự tin và tìm dần điều mà mình muốn là trong tương lai nhé!

Nguồn : ADMIN :))

Copyright © 2021 HOCTAP247