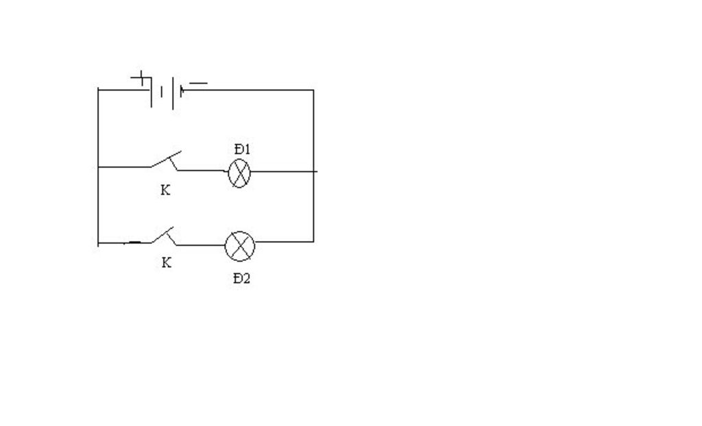
Trang chủ Vật Lý Lớp 7 vẽ sơ đồ mạch điện gồm nguồn điện 3 pin...

vẽ sơ đồ mạch điện gồm nguồn điện 3 pin ,dây dẫn 2 bóng đèn mắc song song , mắc 2 công tắc ( mỗi công tắc điều khiển đóng mở) - câu hỏi 930840

Bạn có biết?

Vật lý học (tiếng Anh:physics, từ tiếng Hi Lạp cổ: φύσις có nghĩa là kiến thức về tự nhiên) là một môn khoa học tự nhiên tập trung vào sự nghiên cứu vật chất và chuyển động của nó trong không gian và thời gian, cùng với những khái niệm liên quan như năng lượng và lực.Vật lí học là một trong những bộ môn khoa học lâu đời nhất, với mục đích tìm hiểu sự vận động của vũ trụ.

Nguồn : Wikipedia - Bách khoa toàn thư

Tâm sự 7

Lớp 7 - Năm thứ hai ở cấp trung học cơ sở, một cuồng quay mới lại đến vẫn bước tiếp trên đường đời học sinh. Học tập vẫn là nhiệm vụ chính!

Nguồn : ADMIN :))

Copyright © 2021 HOCTAP247