Trang chủ Vật Lý Lớp 7 mach diện theo số đó hình ve (hinh 1) a....

mach diện theo số đó hình ve (hinh 1) a. Biết các hiệu dien the U 2,4V; U3= 2.5V. Hay tính U. b. Biết các hiệu điện thế U = 11.2V, U2 = 5.8V. Hãy tính U23.

Câu hỏi :

Xin mn làm giúp câu này ạ Ngày mốt tôi thi rồi

image

Lời giải 1 :

Câu 8:

*Sơ đồ 1:

Trong mạch điện song song, cường độ dòng điện trong mạch chính bằng tổng cường độ dòng điện trong các mạch rẽ.

mà đèn 1 và đèn 2 được mắc song song.

nên: I=I1+I2

+) I=0,45A

+) I1=0,25A

Vậy cường độ dòng điện đi qua đèn 2 là: I2=I-I1=0,45-0,25=0,2 (A)

*Sơ đồ 2:

Trong mạch điện nối tiếp, hiệu điện thế giữa 2 đầu đoạn mạch bằng tổng các hiệu điện thế giữa 2 đầu các thiết bị điện nằm trong đoạn mạch đó.

mà đèn 1 và đèn 2 được mắc nối tiếp.

nên: U=U1+U2

+) U=6V

+) U1=2,5V

Vậy hiệu điện thế giữa 2 đầu đèn 2 là: U2=U-U1=6-2,5=3,5 (V)

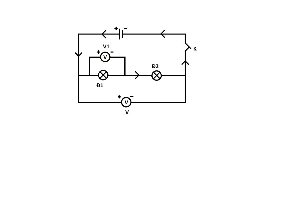
Câu 9:

a, (Hình vẽ)

*Lưu ý: Không được vẽ chiều dòng điện đi qua vôn kế

            Khóa K nên vẽ theo thông thường (như trong sách)

b, Trong mạch điện nối tiếp, hiệu điện thế giữa 2 đầu đoạn mạch bằng tổng các hiệu điện thế giữa 2 đầu các thiết bị điện nằm trong đoạn mạch đó.

mà đèn Đ1 và đèn Đ2 được mắc nối tiếp.

nên: U=U1+U2

+) U=12V

+) U1=5V

Vậy hiệu điện thế giữa 2 đầu đèn 2 là: U2=U-U1=12-5=7 (V)

 

image

Thảo luận

-- Tôi thật sự cảm ơn anh nhiều lắm
-- Vâng bạn nhớ đọc phần lưu ý khi vẽ hình
-- Khoá k mik vẽ vậy cho tiện vì vẽ bằng mt
-- bạn cho mik ctlhn luôn đi ạ ^^

Bạn có biết?

Vật lý học (tiếng Anh:physics, từ tiếng Hi Lạp cổ: φύσις có nghĩa là kiến thức về tự nhiên) là một môn khoa học tự nhiên tập trung vào sự nghiên cứu vật chất và chuyển động của nó trong không gian và thời gian, cùng với những khái niệm liên quan như năng lượng và lực.Vật lí học là một trong những bộ môn khoa học lâu đời nhất, với mục đích tìm hiểu sự vận động của vũ trụ.

Nguồn : Wikipedia - Bách khoa toàn thư

Tâm sự 7

Lớp 7 - Năm thứ hai ở cấp trung học cơ sở, một cuồng quay mới lại đến vẫn bước tiếp trên đường đời học sinh. Học tập vẫn là nhiệm vụ chính!

Nguồn : ADMIN :))

Copyright © 2021 HOCTAP247