 
Đáp án:
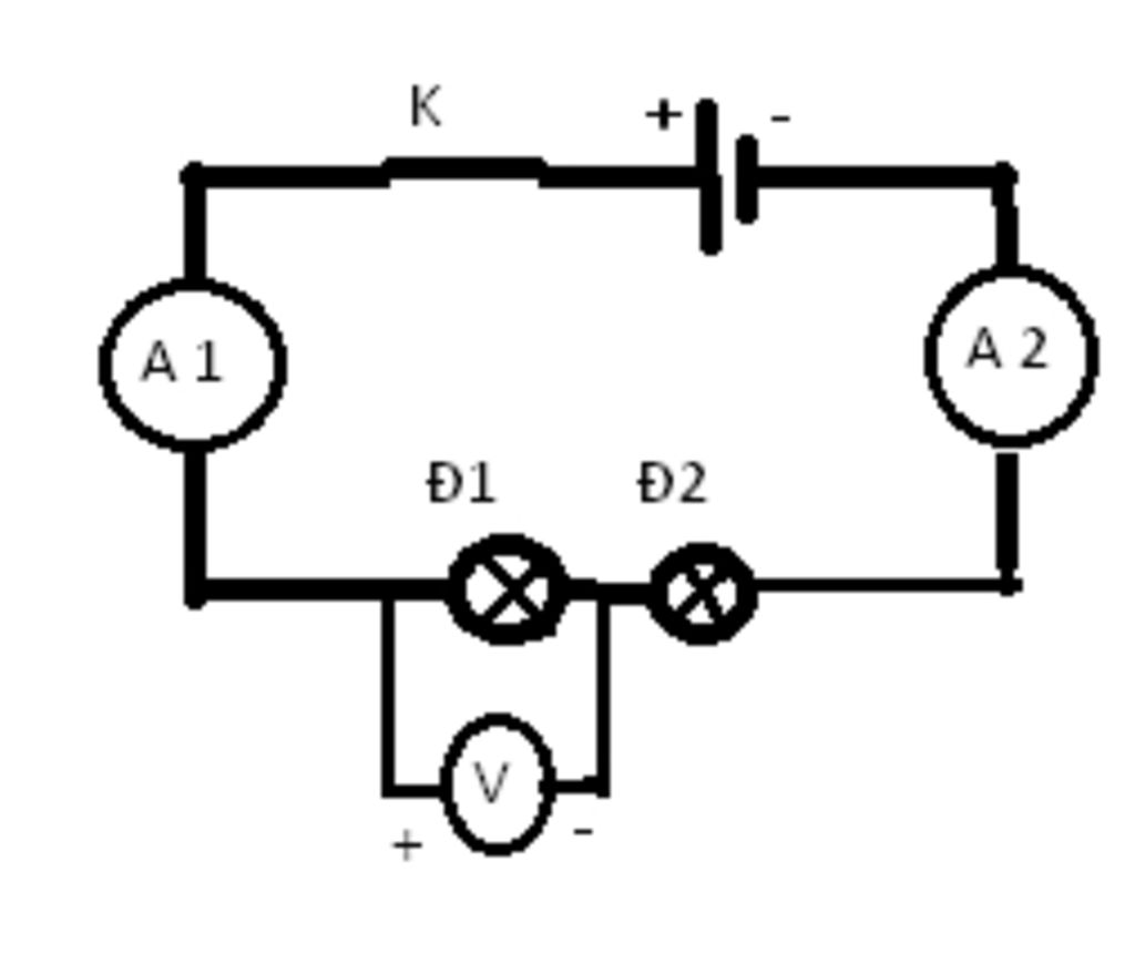
a, số chỉ của ampekế A² = với số chỉ của ampekế A¹ là 0,8A. Vì đây là đoạn mạch nối tiếp nên cường độ dòng điện tại các vị trí khác nhau đều bằng nhau.
b,Cường độ dòng điện qua các bóng đèn Đ¹ và Đ² bằng với số chỉ của ampekế A¹ là 0,8A. Vì đây là đoạn mạch nối tiếp nên cường độ dòng điện tại các vị trí khác nhau đều bằng nhau.
c, Vì đây là đoạn mạch nối tiếp nên U 12= U 1+ U2= 12+9= 21V
d, hình
Giải thích các bước giải:
 
Vật lý học (tiếng Anh:physics, từ tiếng Hi Lạp cổ: φύσις có nghĩa là kiến thức về tự nhiên) là một môn khoa học tự nhiên tập trung vào sự nghiên cứu vật chất và chuyển động của nó trong không gian và thời gian, cùng với những khái niệm liên quan như năng lượng và lực.Vật lí học là một trong những bộ môn khoa học lâu đời nhất, với mục đích tìm hiểu sự vận động của vũ trụ.
Nguồn : Wikipedia - Bách khoa toàn thưLớp 7 - Năm thứ hai ở cấp trung học cơ sở, một cuồng quay mới lại đến vẫn bước tiếp trên đường đời học sinh. Học tập vẫn là nhiệm vụ chính!
Nguồn : ADMIN :))Copyright © 2021 HOCTAP247