Trang chủ Vật Lý Lớp 11 Cho mạch điện Cho $R_{1}$ = 10 Ω. $R_{2}$ =...

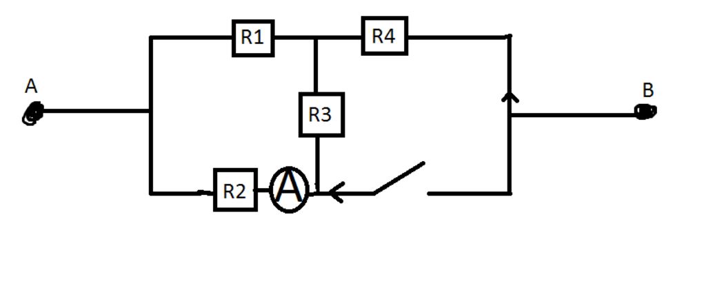
Cho mạch điện Cho $R_{1}$ = 10 Ω. $R_{2}$ = 4 Ω. $R_{3}$ = 6 Ω, U = 10V $R_{4}$ = 15 Ω. a) Khi k mở: $R_{AB}$ . Tìm I, U qua các R, số chỉ (A) b) Thay k -> (

Câu hỏi :

Cho mạch điện Cho $R_{1}$ = 10 Ω. $R_{2}$ = 4 Ω. $R_{3}$ = 6 Ω, U = 10V $R_{4}$ = 15 Ω. a) Khi k mở: $R_{AB}$ . Tìm I, U qua các R, số chỉ (A) b) Thay k -> (V) -> chỉ? (bản chất mạch không đổi) c) Thay k -> tụ C =18 uF -> q=? d) Thay k bằng A2 nó chỉ ? ($R_{A}$ = 0) (Thay k -> A2 giống như đáy k)(Vẽ lại) ta chập N với B lại để tính, xong ráp lại -> yêu cầu [($R_{2}$ nt $R_{3}$ ) ║$R_{1}$ ] nt $R_{4}$

image

Lời giải 1 :

Đáp án:

 

Giải thích các bước giải:

a)*khi k mở ta có:
(R1 nt R3)//(R2 nt R4) => R24=12Ω
có: R13/R24 = I24/I13 <=> 2R13=R24 => R13=6Ω => R3=6 - 4=2Ω

b)*khi k đóng ta có:
(R1//R2) nt (R3//R4) => R12=2.4Ω ; R34=1.5Ω =>R= R12 + R34=3.9Ω
=> I= U/R = 7.8/3.9 = 2A
cđdđ qua dây nối = 2A

Thảo luận

-- Chữ gần chữ separate là chữ gì v bạn
-- Sorry
-- Mk nhấn nhầm

Bạn có biết?

Vật lý học (tiếng Anh:physics, từ tiếng Hi Lạp cổ: φύσις có nghĩa là kiến thức về tự nhiên) là một môn khoa học tự nhiên tập trung vào sự nghiên cứu vật chất và chuyển động của nó trong không gian và thời gian, cùng với những khái niệm liên quan như năng lượng và lực.Vật lí học là một trong những bộ môn khoa học lâu đời nhất, với mục đích tìm hiểu sự vận động của vũ trụ.

Nguồn : Wikipedia - Bách khoa toàn thư

Tâm sự 11

Lớp 11 - Năm thứ hai ở cấp trung học phổ thông, gần đến năm cuối cấp nên học tập là nhiệm vụ quan trọng nhất. Nghe nhiều đến định hướng sau này rồi học đại học. Ôi nhiều lúc thật là sợ, hoang mang nhưng các em hãy tự tin và tìm dần điều mà mình muốn là trong tương lai nhé!

Nguồn : ADMIN :))

Copyright © 2021 HOCTAP247