Trang chủ Vật Lý Lớp 7 Hãy vẽ sơ đồ mạch điện gồm có một bộ...

Hãy vẽ sơ đồ mạch điện gồm có một bộ pin ,hai đèn Đ1 ,Đ2 hai khoá K1, K2 sao cho mỗi đèn có thể bật tắt riêng biệt câu hỏi 4253763 - hoctapsgk.com

Câu hỏi :

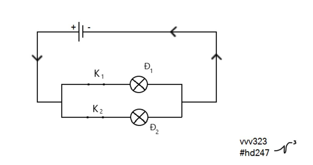
Hãy vẽ sơ đồ mạch điện gồm có một bộ pin ,hai đèn Đ1 ,Đ2 hai khoá K1, K2 sao cho mỗi đèn có thể bật tắt riêng biệt

Lời giải 1 :

Gửi cậu ạ 💖

      #Cattuong

image

Thảo luận

Lời giải 2 :

Đáp án + Giải thích các bước giải:

Mạch gồm hai bóng đèn mắc song song và gồm hai khóa ở các mạch nhánh nên các đèn `Đ_1;Đ_2` có thể bật tắt riêng biệt.

image

Bạn có biết?

Vật lý học (tiếng Anh:physics, từ tiếng Hi Lạp cổ: φύσις có nghĩa là kiến thức về tự nhiên) là một môn khoa học tự nhiên tập trung vào sự nghiên cứu vật chất và chuyển động của nó trong không gian và thời gian, cùng với những khái niệm liên quan như năng lượng và lực.Vật lí học là một trong những bộ môn khoa học lâu đời nhất, với mục đích tìm hiểu sự vận động của vũ trụ.

Nguồn : Wikipedia - Bách khoa toàn thư

Tâm sự 7

Lớp 7 - Năm thứ hai ở cấp trung học cơ sở, một cuồng quay mới lại đến vẫn bước tiếp trên đường đời học sinh. Học tập vẫn là nhiệm vụ chính!

Nguồn : ADMIN :))

Copyright © 2021 HOCTAP247