Trang chủ Vật Lý Lớp 7 1. Một mạch điện đang sử dụng cầu chì cho...

1. Một mạch điện đang sử dụng cầu chì cho phép dòng điện tối đa là 5 A. Khi cầu chì đứt, ta có nên dùng cầu chì khác cho phép dòng điện tối đa 10 A thay thế đư

Câu hỏi :

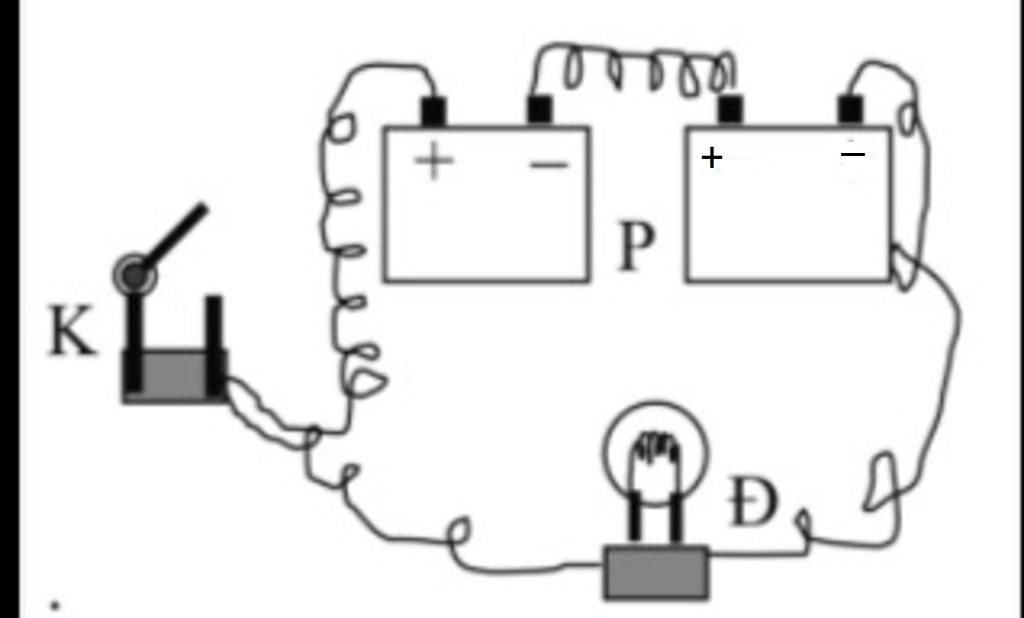
1. Một mạch điện đang sử dụng cầu chì cho phép dòng điện tối đa là 5 A. Khi cầu chì đứt, ta có nên dùng cầu chì khác cho phép dòng điện tối đa 10 A thay thế được không? Giải thích 2. Có hai quả cầu nhôm A và B, nhẹ được treo trên hai sợi dây nhẹ cách điện, và đặt gần nhau. Biết quả cầu A nhiễm điện âm, ban đầu người ta giữ hai quả cầu sao cho dây treo thẳng đứng. Sau đó nhẹ nhàng thả hai quả cầu ra. Em hãy miêu tả những hiện tượng có thể xảy ra, giải thích. 3. Bạn A đã mắc một mạch điện như hình bên, nhưng bị sai quy tắc mạch (Trong đó P là pin, K là khóa, Đ là đèn). Em hãy chỉ ra các chỗ sai và đưa ra phương án lắp lại cho đúng

image

Lời giải 1 :

Đáp án + Giải thích các bước giải:

Câu 1 . Con số 5A có nghĩ là Cường độ dòng điện đi qua cầu chì này từ 5A trở lên thì cầu chì sẽ đứt . Nếu dùng cầu chì có dòng điện tối đa 10 A thay thế thì không được . Vì dùng cầu chì 10A , tức là cầu chì sẽ khó đứt hơn . Nếu có dòng điện cao quá chạy qua bóng đèn mà đèn không đức thì sẽ gây nguy hiểm . 

Câu 2. Vì quả cầu A nhiễm điện âm  , còn quả cầu B không nhiễm điện . Nêu quả cầu A sẽ hút quả cầu B . Hiện tượng có thể xảy ra là : Khi treo 2 quả cầu thẳng đứng trên dây . Nếu thả cả 2 thì quả cầu B sẽ tiến lại gần quả cầu A .

Câu 3 . Bạn đã lắp sai 2 P ( pin ) . Vì bạn phải lắm Cực dương với Cực âm . 

Sửa lại : ( Hình vẽ )

 

image

Thảo luận

-- hình như bạn đọc nhầm đề? cái này là cầu chì chứ không phải dòng điện
-- À . Ok , để mình sửa lại .
-- sức mạnh chịu đựng tối đa của cầu chì là 10 A ấy chứ không phải sức mạnh dòng điện
-- và bạn có thể giải thích đáp án câu 2 cho mình được không ạ?
-- Uk . Mình biết ròi ạ .
-- Mình giải thích câu 2 trước xong ròi mới nêu hiện tượng mà ?
-- ok
-- cảm ơn bạn nhiều <3

Lời giải 2 :

Đáp án + giải thích các bước giải : 

$\\$ Câu 1 : 

Ta không nên sử dụng cầu chì khác có `I_{max}=10(A)` vì độ chênh lệch giữa `5A` và `10A` là rất lớn, nếu làm như thế khi dòng điện chạy qua mạch, mạch có thể bị hỏng mà cầu chì không ngắt 

`to`  Không nên thay thế loại cầu chì này

$\\$ Câu 2 :

Do quả câu `A` nhiễm điện âm mà quả cầu `B` không nhiễm điện, nên khi ta nhẹ nhàng thả `2` quả cầu này ra, quả cầu `A` sẽ hút quả cầu `B` về phía của nó với một lực nhẹ .

$\\$ Câu 3 : 

$\\$ $\bullet$ Theo quy tắc, cực âm của pin này phải mắc vào cực dương của pin kia (trái ngược với nhau) 

$\\$ `->` Bạn `A` đã lắp sai nguồn pin, cần mắc lại như hình vẽ ! 

image

Bạn có biết?

Vật lý học (tiếng Anh:physics, từ tiếng Hi Lạp cổ: φύσις có nghĩa là kiến thức về tự nhiên) là một môn khoa học tự nhiên tập trung vào sự nghiên cứu vật chất và chuyển động của nó trong không gian và thời gian, cùng với những khái niệm liên quan như năng lượng và lực.Vật lí học là một trong những bộ môn khoa học lâu đời nhất, với mục đích tìm hiểu sự vận động của vũ trụ.

Nguồn : Wikipedia - Bách khoa toàn thư

Tâm sự 7

Lớp 7 - Năm thứ hai ở cấp trung học cơ sở, một cuồng quay mới lại đến vẫn bước tiếp trên đường đời học sinh. Học tập vẫn là nhiệm vụ chính!

Nguồn : ADMIN :))

Copyright © 2021 HOCTAP247