Trang chủ Vật Lý Lớp 7 : Cho mạch điện gồm : nguồn điện 1 pin...

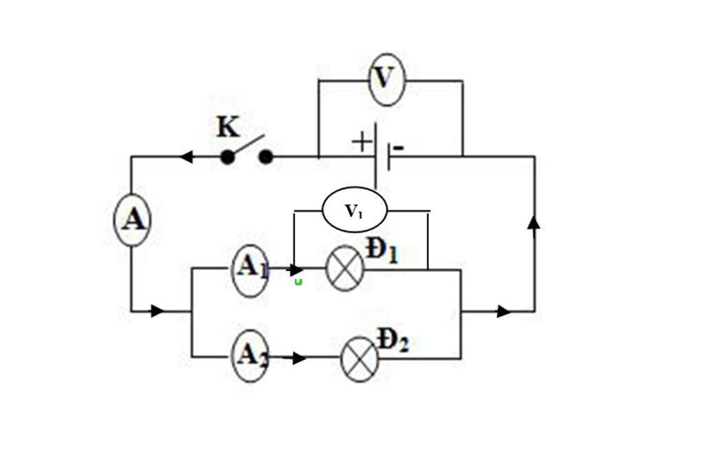
: Cho mạch điện gồm : nguồn điện 1 pin , khoá K đóng , 2 đèn Đ1 và Đ2 mắc song song nhau , một Ampe kế A đo dòng điện toàn mạch , một ampe kế A1 đo cường độ dò

Câu hỏi :

: Cho mạch điện gồm : nguồn điện 1 pin , khoá K đóng , 2 đèn Đ1 và Đ2 mắc song song nhau , một Ampe kế A đo dòng điện toàn mạch , một ampe kế A1 đo cường độ dòng điện qua đèn Đ1 , một vôn kế đo hiệu điện thế hai đầu đèn Đ1 . a) Vẽ sơ đồ dòng điện ? Vẽ chiều dòng điện b) Cho cường độ dòng điện chạy qua đèn Đ1 là I1=1,5A và toàn mạch I=2A . Hỏi cường độ dòng điện qua đèn Đ2 là I2 bằng bao nhiêu c) Cho hiệu điện thế giữa hai đầu đèn Đ1 là U1=3V . Hỏi hiệu điện thế giữa hai đầu đèn Đ1 là U1 và hiệu điện thế toàn mạch U là bao nhiêu ​ d) Nếu tháo 1 trong 2 đèn thì đèn còn lại có sáng bình thường không ? Tại sao ? e) vôn kế và ampe kế đc mắc như thế nào với 2 bóng đèn

Lời giải 1 :

Đáp án:

 a) vẽ mạch

$\begin{align}
  & b){{I}_{2}}=0,5A \\ 
 & c){{U}_{1}}={{U}_{2}}=U=3V \\ 
\end{align}$

d) đèn sáng bình thường 

Giải thích các bước giải:

a) nguồn điện 1 pin , khoá K đóng , 2 đèn Đ1 và Đ2 mắc song song nhau , một Ampe kế A đo dòng điện toàn mạch , một ampe kế A1 đo cường độ dòng điện qua đèn Đ1 , một vôn kế đo hiệu điện thế hai đầu đèn Đ1 .

b)${{I}_{1}}=1,5A;I=2A$

2 đèn mắc song song: 

$\begin{align}
  & I={{I}_{1}}+{{I}_{2}} \\ 
 & \Rightarrow {{I}_{2}}=I-{{I}_{1}}=2-1,5=0,5A \\ 
\end{align}$

c) Hiệu điện thế qua đèn 2 và toàn mạch

${{U}_{1}}={{U}_{2}}=U=3V$

d) Nếu tháo 1 trong 2 đèn thì đèn còn lại có sáng bình thường

vì 1 bóng bị nối tắt mạch vẫn kín nên đèn còn lại sáng bình thường

e) Vôn kế mắc song song với đèn

ampe kế mắc nối tiếp với đèn 

image

Thảo luận

Bạn có biết?

Vật lý học (tiếng Anh:physics, từ tiếng Hi Lạp cổ: φύσις có nghĩa là kiến thức về tự nhiên) là một môn khoa học tự nhiên tập trung vào sự nghiên cứu vật chất và chuyển động của nó trong không gian và thời gian, cùng với những khái niệm liên quan như năng lượng và lực.Vật lí học là một trong những bộ môn khoa học lâu đời nhất, với mục đích tìm hiểu sự vận động của vũ trụ.

Nguồn : Wikipedia - Bách khoa toàn thư

Tâm sự 7

Lớp 7 - Năm thứ hai ở cấp trung học cơ sở, một cuồng quay mới lại đến vẫn bước tiếp trên đường đời học sinh. Học tập vẫn là nhiệm vụ chính!

Nguồn : ADMIN :))

Copyright © 2021 HOCTAP247