Trang chủ Vật Lý Lớp 7 Câu 5: Cho mạch điện gồm 1 nguồn điện; 2...

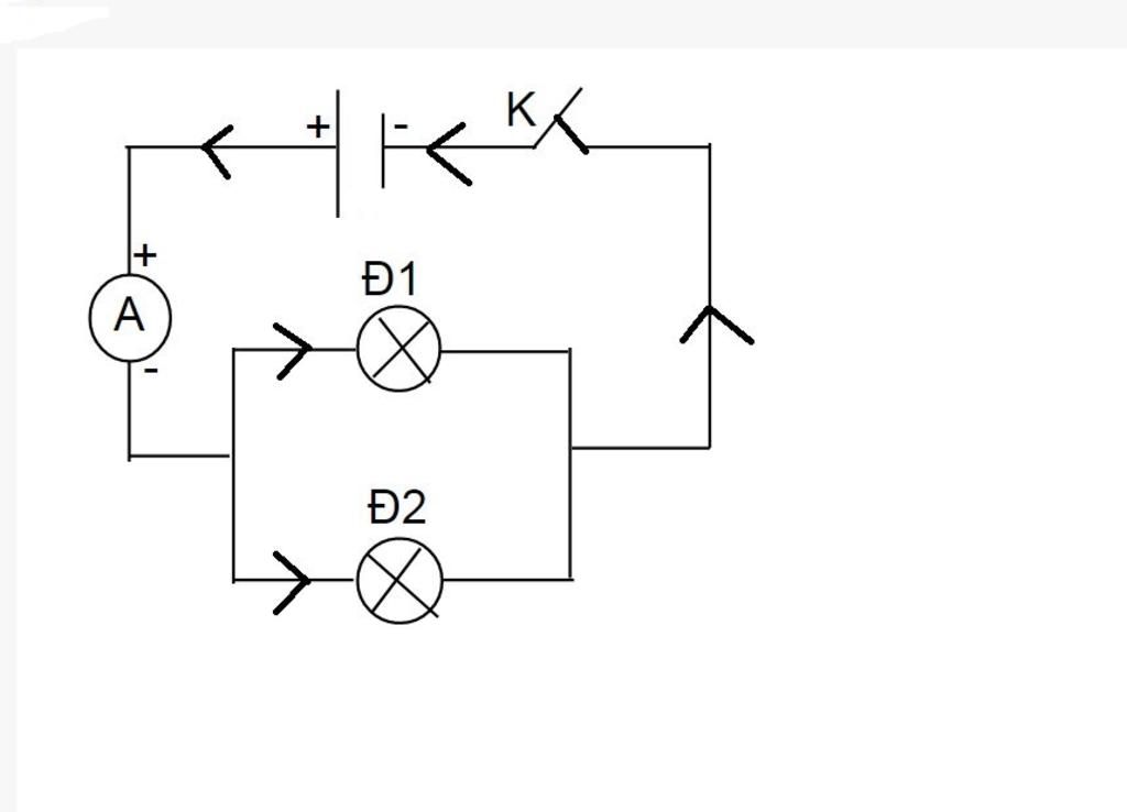
Câu 5: Cho mạch điện gồm 1 nguồn điện; 2 bóng đèn Đ1, Đ2 mắc song song; 1 ampe kế đo cường độ dòng điện mạch chính; 1 công tắc; các dây dẫn. a) Vẽ sơ đồ mạ

Câu hỏi :

giảigiups em nhé em cảm ơn

image

Lời giải 1 :

Đáp án:

b) \(0,5A\)

c) \(15V\)

d) Có

Giải thích các bước giải:

a) Hình vẽ

b) Vì 2 đèn mắc song song nên:

\(\begin{array}{l}
{I_A} = {I_1} + {I_2} \Rightarrow 0,8 = 0,3 + {I_2}\\
 \Rightarrow {I_2} = 0,5A
\end{array}\)

c) Vì 2 đèn mắc song song nên: \(U = {U_1} = {U_2} = 15V\)

d) Nếu một trong hai đèn bị đứt dây tóc thì đèn còn lại vẫn sáng bình thường vì mạch vẫn kín bình thường.

image

Thảo luận

Lời giải 2 :

Đáp án:

`a)` Hình

`b)` Vì `Đ_1` và `Đ_2` mắc song song nên :

`I = I_1 + I_2`

`-> I_2 = I - I_1`

Mà `I = 0,8A ; I_1 = 0,3A`

`-> I_2 = 0,8 - 0,3`

`-> I_2 = 0,5V`

`c)` Vì `Đ_1` và `Đ_2` mắc song song nên :

`U = U_1 = U_2`

Mà `U_2 = 15V` 

`-> U = 15V`

`d)` Vì đây là đoạn mạch gồm hai bóng đèn mắc song song nên khi một bóng đèn bị cháy thì bóng kia vẫn sáng .

 

image

Bạn có biết?

Vật lý học (tiếng Anh:physics, từ tiếng Hi Lạp cổ: φύσις có nghĩa là kiến thức về tự nhiên) là một môn khoa học tự nhiên tập trung vào sự nghiên cứu vật chất và chuyển động của nó trong không gian và thời gian, cùng với những khái niệm liên quan như năng lượng và lực.Vật lí học là một trong những bộ môn khoa học lâu đời nhất, với mục đích tìm hiểu sự vận động của vũ trụ.

Nguồn : Wikipedia - Bách khoa toàn thư

Tâm sự 7

Lớp 7 - Năm thứ hai ở cấp trung học cơ sở, một cuồng quay mới lại đến vẫn bước tiếp trên đường đời học sinh. Học tập vẫn là nhiệm vụ chính!

Nguồn : ADMIN :))

Copyright © 2021 HOCTAP247