Trang chủ Công Nghệ Lớp 9 Vẽ sơ đồ lắp đặt và nguyên lí của mạch...

Vẽ sơ đồ lắp đặt và nguyên lí của mạch điện a, 1 cầu chì, 2 công tắc điều khiển 3 đèn b, 2 cầu chì, 2 công tắc điều khiển 2 đèn - câu hỏi 4559675

Câu hỏi :

Vẽ sơ đồ lắp đặt và nguyên lí của mạch điện a, 1 cầu chì, 2 công tắc điều khiển 3 đèn b, 2 cầu chì, 2 công tắc điều khiển 2 đèn

Lời giải 1 :

`a,1` cầu chì, `2` công tắc điều khiển `3` đèn.

Hình `1` sơ đồ nguyên lí của mạch điện.

Hình `2` sơ đồ lắp đặt của mạch điện.

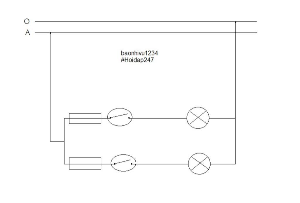
`b,2` cầu chì, `2` công tắc điều khiển `2` đèn.

Hình `3` sơ đồ nguyên lí của mạch điện.

Hình `4` sơ đồ lắp đặt của mạch điện.

image
image
image
image

Thảo luận

Lời giải 2 :

Hình ảnh

image
image
image
image

Bạn có biết?

Công nghệ (tiếng Anh: technology) là sự phát minh, sự thay đổi, việc sử dụng, và kiến thức về các công cụ, máy móc, kỹ thuật, kỹ năng nghề nghiệp, hệ thống, và phương pháp tổ chức, nhằm giải quyết một vấn đề, cải tiến một giải pháp đã tồn tại, đạt một mục đích, hay thực hiện một chức năng cụ thể đòi hỏi hàm lượng chất xám cao. Công nghệ ảnh hưởng đáng kể lên khả năng kiểm soát và thích nghi của con người cũng như của những động vật khác vào môi trường tự nhiên của mình.

Nguồn : Wikipedia - Bách khoa toàn thư

Tâm sự 9

Lớp 9 - Là năm cuối ở cấp trung học cơ sở, sắp phải bước vào một kì thi căng thẳng và sắp chia tay bạn bè, thầy cô và cả kì vọng của phụ huynh ngày càng lớn mang tên "Lên cấp 3". Thật là áp lực nhưng các em hãy cứ tự tin vào bản thân là sẻ vượt qua nhé!

Nguồn : ADMIN :))

Copyright © 2021 HOCTAP247