Trang chủ Vật Lý Lớp 9 Ampe kế có điện trở không đáng kể , vôn...

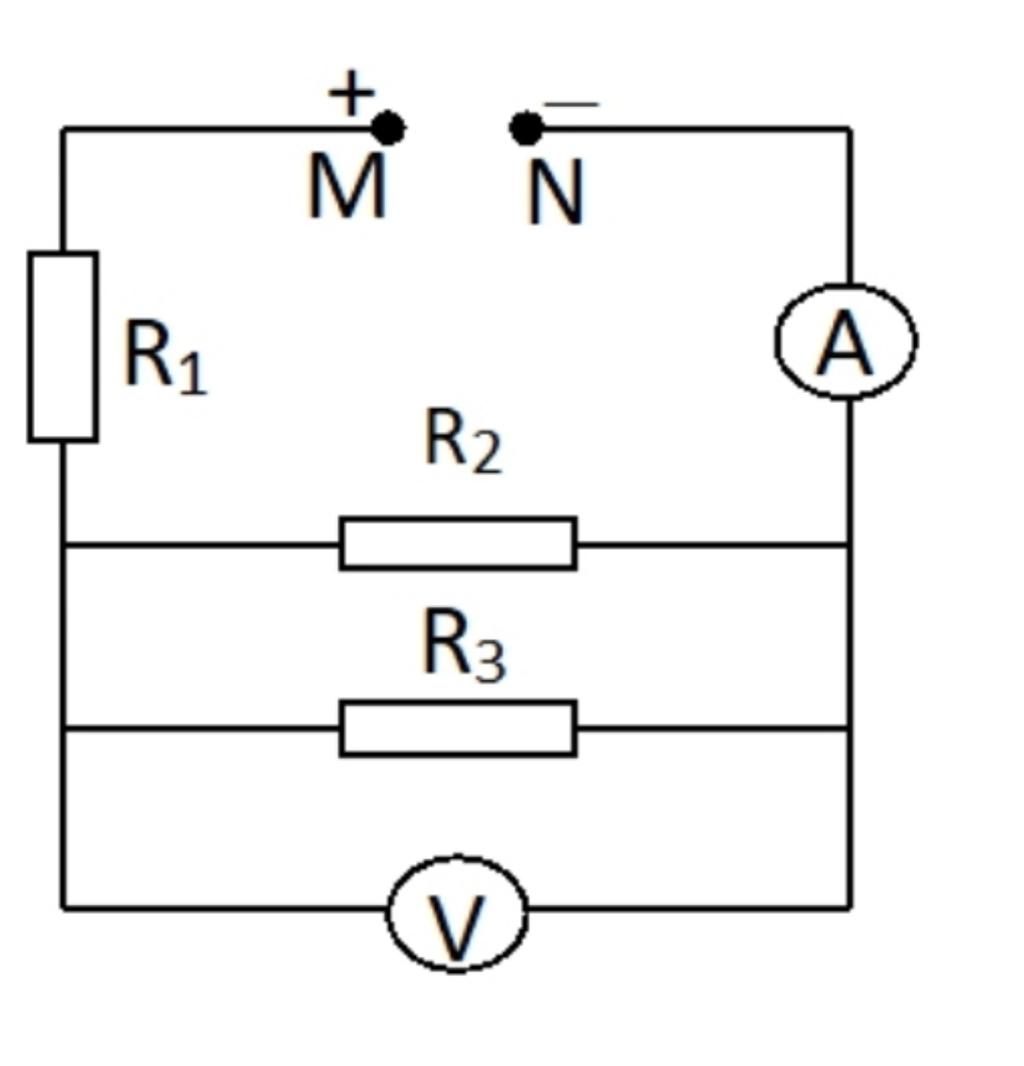
Ampe kế có điện trở không đáng kể , vôn kế có điện trở rất lớn . Biết $ R_1 = 4Ω $ , $ R_2 = 20Ω $ , $ R_3 = 15 Ω $. Ampe kế chỉ $ 4A $ . a/ Tính điện trở tươn

Câu hỏi :

Ampe kế có điện trở không đáng kể , vôn kế có điện trở rất lớn . Biết $ R_1 = 4Ω $ , $ R_2 = 20Ω $ , $ R_3 = 15 Ω $. Ampe kế chỉ $ 4A $ . a/ Tính điện trở tương đương của mạch. b/ Tính hiệu điện thế giữa hai điểm $MN$ và số chỉ của vôn kế. c/ R1 được làm bằng nikelin có chiều dài $50cm$. Tính đường kính dây?

image

Bạn có biết?

Vật lý học (tiếng Anh:physics, từ tiếng Hi Lạp cổ: φύσις có nghĩa là kiến thức về tự nhiên) là một môn khoa học tự nhiên tập trung vào sự nghiên cứu vật chất và chuyển động của nó trong không gian và thời gian, cùng với những khái niệm liên quan như năng lượng và lực.Vật lí học là một trong những bộ môn khoa học lâu đời nhất, với mục đích tìm hiểu sự vận động của vũ trụ.

Nguồn : Wikipedia - Bách khoa toàn thư

Tâm sự 9

Lớp 9 - Là năm cuối ở cấp trung học cơ sở, sắp phải bước vào một kì thi căng thẳng và sắp chia tay bạn bè, thầy cô và cả kì vọng của phụ huynh ngày càng lớn mang tên "Lên cấp 3". Thật là áp lực nhưng các em hãy cứ tự tin vào bản thân là sẻ vượt qua nhé!

Nguồn : ADMIN :))

Copyright © 2021 HOCTAP247