Trang chủ Vật Lý Lớp 9 Cho đoạn mạch điện như hình bên. Đèn 1 có...

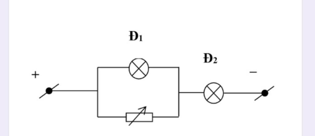
Cho đoạn mạch điện như hình bên. Đèn 1 có hiệu điện thế định mức là 3V, khi sáng bình thường thì có điện trở là 3Ω. Đèn 2 có hiệu điện thế định mức là 6V, khi

Câu hỏi :

Cho đoạn mạch điện như hình bên. Đèn 1 có hiệu điện thế định mức là 3V, khi sáng bình thường thì có điện trở là 3Ω. Đèn 2 có hiệu điện thế định mức là 6V, khi sáng bình thường thì có điện trở là 4Ω. Hiệu điện thế đặt vào hai đầu đoạn mạch này là 9V. Phải điều chỉnh biến trở đến giá trị bao nhiêu để cả 2 đèn đều sáng bình thường? A.6Ω. B.3Ω. C.1Ω. D.12Ω

image

Lời giải 1 :

Đáp án:

 A

Giải thích các bước giải:

Ta có: \({U_b} = {U_1} = 3V\)

Cường độ dòng điện qua các đèn là:

\(\begin{array}{l}
{I_1} = \dfrac{{{U_1}}}{{{R_1}}} = \dfrac{3}{3} = 1A\\
{I_2} = \dfrac{{{U_2}}}{{{R_2}}} = \dfrac{6}{4} = 1,5A
\end{array}\)

Cường độ dòng điện qua biến trở là:

\({I_b} = {I_2} - {I_1} = 1,5 - 1 = 0,5A\)

Giá trị của biến trở là:

\({R_b} = \dfrac{{{U_b}}}{{{I_b}}} = \dfrac{3}{{0,5}} = 6\Omega \)

Thảo luận

Bạn có biết?

Vật lý học (tiếng Anh:physics, từ tiếng Hi Lạp cổ: φύσις có nghĩa là kiến thức về tự nhiên) là một môn khoa học tự nhiên tập trung vào sự nghiên cứu vật chất và chuyển động của nó trong không gian và thời gian, cùng với những khái niệm liên quan như năng lượng và lực.Vật lí học là một trong những bộ môn khoa học lâu đời nhất, với mục đích tìm hiểu sự vận động của vũ trụ.

Nguồn : Wikipedia - Bách khoa toàn thư

Tâm sự 9

Lớp 9 - Là năm cuối ở cấp trung học cơ sở, sắp phải bước vào một kì thi căng thẳng và sắp chia tay bạn bè, thầy cô và cả kì vọng của phụ huynh ngày càng lớn mang tên "Lên cấp 3". Thật là áp lực nhưng các em hãy cứ tự tin vào bản thân là sẻ vượt qua nhé!

Nguồn : ADMIN :))

Copyright © 2021 HOCTAP247