Trang chủ Vật Lý Lớp 9 Bài 8: Một bóng đèn loại 220V – 100W và...

Bài 8: Một bóng đèn loại 220V – 100W và một bếp điện loại 220V – 1000W được sử dụng ở hiệu điện thể định mức, mỗi ngày trung bình đèn sử dụng 5 giờ, bếp sử dụn

Câu hỏi :

Bài 8: Một bóng đèn loại 220V – 100W và một bếp điện loại 220V – 1000W được sử dụng ở hiệu điện thể định mức, mỗi ngày trung bình đèn sử dụng 5 giờ, bếp sử dụng 2 giờ. Giá 1 KWh điện 700 đồng. Tính tiền điện phải trả của 2 thiết bị trên trong 30 ngày. Bài 9: Muốn đo công suất tiêu thụ của một bóng đèn ta cần phải có những dụng cụ gì? Hãy nêu bước để đo công suất tiêu thụ của bóng đèn đó? Vẽ sơ đồ cách mắc mạch điện Giúp em với ạ

Lời giải 1 :

.

Thảo luận

Lời giải 2 :

Đáp án:

 Bài 8: $46200dong$

Bài 9: như hình vẽ

Giải thích các bước giải:

 Bài 8:

$\begin{align}
  & {{U}_{dm1}}=220V;{{P}_{dm1}}=100\text{W}; \\ 
 & {{U}_{dm2}}=220V;{{P}_{dm2}}=1000\text{W}; \\ 
 & t=7h \\ 
\end{align}$

điện năng tiêu thụ của mỗi bóng trong 30 ngày: 

$\begin{align}
  & {{A}_{1}}={{P}_{dm1}}.t=100.2.30=6000Wh=6k\text{W}h \\ 
 & A{}_{2}={{P}_{dm2}}.t=1000.2.30=60000\text{W}h=60k\text{W}h \\ 
\end{align}$

số tiền phải trả: 

$(60+6).700=46200dong$

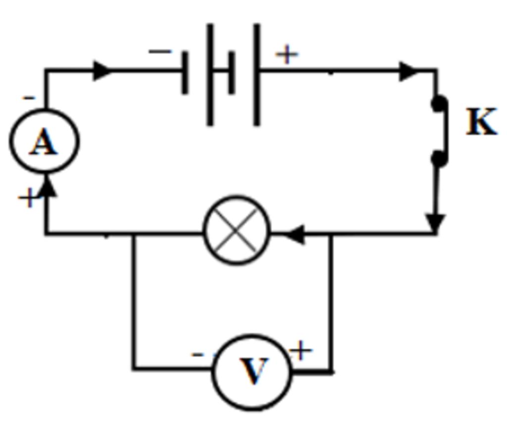
Bài 9: 

muốn đo công suất tiêu thụ của một bóng đèn ta cần có:

+ 1 ampe kế đo cường độ dòng điện 

+ 1 vôn kế đo hiệu điện thế của bóng đèn

bước đo:

+ B1: mắc ampe kế nối tiếp với bóng đèn

          mắc vôn kế song song với bóng đèn

+ B2: đọc giá trị trên ampe kế và vôn kế

B3: áp dụng công thức: $P=U.I$ tính công suất

sơ đồ mạch điện: 

image

Bạn có biết?

Vật lý học (tiếng Anh:physics, từ tiếng Hi Lạp cổ: φύσις có nghĩa là kiến thức về tự nhiên) là một môn khoa học tự nhiên tập trung vào sự nghiên cứu vật chất và chuyển động của nó trong không gian và thời gian, cùng với những khái niệm liên quan như năng lượng và lực.Vật lí học là một trong những bộ môn khoa học lâu đời nhất, với mục đích tìm hiểu sự vận động của vũ trụ.

Nguồn : Wikipedia - Bách khoa toàn thư

Tâm sự 9

Lớp 9 - Là năm cuối ở cấp trung học cơ sở, sắp phải bước vào một kì thi căng thẳng và sắp chia tay bạn bè, thầy cô và cả kì vọng của phụ huynh ngày càng lớn mang tên "Lên cấp 3". Thật là áp lực nhưng các em hãy cứ tự tin vào bản thân là sẻ vượt qua nhé!

Nguồn : ADMIN :))

Copyright © 2021 HOCTAP247