Trang chủ Vật Lý Lớp 9 Bài 9: Muốn đo công suất tiêu thụ của một...

Bài 9: Muốn đo công suất tiêu thụ của một bóng đèn ta cần phải có những dụng cụ gì? Hãy nêu bước để đo công suất tiêu thụ của bóng đèn đó? Vẽ sơ đồ cách mắc mạ

Câu hỏi :

Bài 9: Muốn đo công suất tiêu thụ của một bóng đèn ta cần phải có những dụng cụ gì? Hãy nêu bước để đo công suất tiêu thụ của bóng đèn đó? Vẽ sơ đồ cách mắc mạch điện

Lời giải 1 :

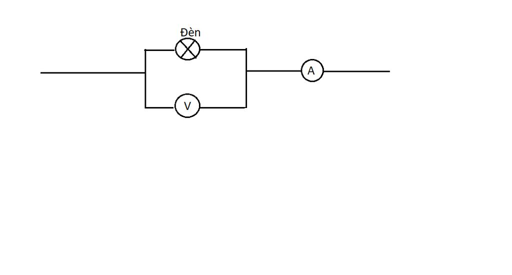
Đáp án + giải thích các bước giải : 

$\\$ $\bullet$ Để đo công suất tiêu thụ của đèn, ta có thể dùng oát kế hoặc đồng hồ vạn năng để có thể đo công suất của đèn.

$\\$ $\bullet$ Trong trường hợp không có Oát kế hay đồng hồ vạn năng, ta mắc đèn song song với vôn kế và nối tiếp với Ampe kế 

$\\$ `-` Cho dòng điện chạy qua mạch

$\\$ `-` Đọc số chỉ của `U; I`

$\\$ `->` Tính công suất của đèn bằng công thức :
$\\$` mathcalP = U.I`

$\\$ Sơ đồ cách mắc cho 2 câu, bạn xem hình ! 

image
image

Thảo luận

Lời giải 2 :

Đáp án+Giải thích các bước giải:

 Muốn đo công suất của một bóng đèn ta cần vôn kế và ampe kế

Các bước đo:

-Mắc vôn kế song song với đèn

-Mắc ampe kế nối tiếp với đèn

-Đóng công tâc đọc số U,I

-Áp dụng công thức P=U×I

Chúc bạn học tốt...

image

Bạn có biết?

Vật lý học (tiếng Anh:physics, từ tiếng Hi Lạp cổ: φύσις có nghĩa là kiến thức về tự nhiên) là một môn khoa học tự nhiên tập trung vào sự nghiên cứu vật chất và chuyển động của nó trong không gian và thời gian, cùng với những khái niệm liên quan như năng lượng và lực.Vật lí học là một trong những bộ môn khoa học lâu đời nhất, với mục đích tìm hiểu sự vận động của vũ trụ.

Nguồn : Wikipedia - Bách khoa toàn thư

Tâm sự 9

Lớp 9 - Là năm cuối ở cấp trung học cơ sở, sắp phải bước vào một kì thi căng thẳng và sắp chia tay bạn bè, thầy cô và cả kì vọng của phụ huynh ngày càng lớn mang tên "Lên cấp 3". Thật là áp lực nhưng các em hãy cứ tự tin vào bản thân là sẻ vượt qua nhé!

Nguồn : ADMIN :))

Copyright © 2021 HOCTAP247