Trang chủ Vật Lý Lớp 9 Cho mạch như hình, số chỉ các dụng cụ đo...

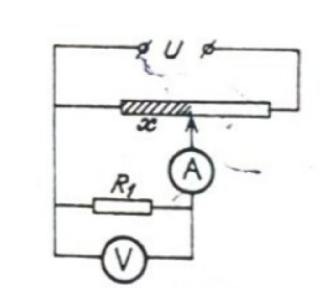
Cho mạch như hình, số chỉ các dụng cụ đo sẽ thay đổi thế nào khi con chạy dịch về phía bên phải? Vì sao? Help gấp ạaaaaaa - câu hỏi 3393593

Câu hỏi :

Cho mạch như hình, số chỉ các dụng cụ đo sẽ thay đổi thế nào khi con chạy dịch về phía bên phải? Vì sao? Help gấp ạaaaaaa

image

Lời giải 1 :

Đáp án:

Ampe kế đo cường độ dòng điện chạy qua $R_1$ 

Vôn kế đo hiệu điện thế giữa hai đầu $R_1$

 Khi dịch chuyển con chạy của biến trở về phía bên phải thì điện trở của biến trở phần bên phải giảm nên hiệu điện thế giữa hai đầu đoạn này giảm. Do đó hiệu điện thế giữa hai đầu đoạn mạch gồm phần bên trái của biến trở mắc song song với điện trở $R_1$ tăng lên. 

Suy ra: 

- Số chỉ của Vôn kế tăng; 

- Điện trở $R_1$ không đổi mà hiệu điện thế giữa hai đầu $R_1$ tăng nên cường độ dòng điện chạy qua $R_1$ cũng tăng hay sói chỉ của Ampe kế cũng tăng.

Giải thích các bước giải:

 

Thảo luận

Bạn có biết?

Vật lý học (tiếng Anh:physics, từ tiếng Hi Lạp cổ: φύσις có nghĩa là kiến thức về tự nhiên) là một môn khoa học tự nhiên tập trung vào sự nghiên cứu vật chất và chuyển động của nó trong không gian và thời gian, cùng với những khái niệm liên quan như năng lượng và lực.Vật lí học là một trong những bộ môn khoa học lâu đời nhất, với mục đích tìm hiểu sự vận động của vũ trụ.

Nguồn : Wikipedia - Bách khoa toàn thư

Tâm sự 9

Lớp 9 - Là năm cuối ở cấp trung học cơ sở, sắp phải bước vào một kì thi căng thẳng và sắp chia tay bạn bè, thầy cô và cả kì vọng của phụ huynh ngày càng lớn mang tên "Lên cấp 3". Thật là áp lực nhưng các em hãy cứ tự tin vào bản thân là sẻ vượt qua nhé!

Nguồn : ADMIN :))

Copyright © 2021 HOCTAP247