Trang chủ Vật Lý Lớp 8 Bài 4: Cho mạch điện như hình vẽ, ampe kế...

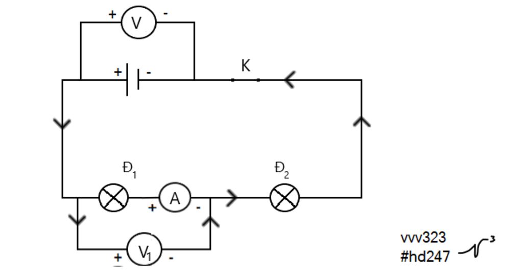
Bài 4: Cho mạch điện như hình vẽ, ampe kế có số chỉ là I= 280mA; vôn kế V có số chỉ là 0,005kV, vôn kế V1 có số chỉ là 2350mV. Đánh dấu các chốt. Tính hiệu

Câu hỏi :

Giusp tớ với ạ cần gấp;-;

image

Lời giải 1 :

Đáp án + Giải thích các bước giải:

Bài `4:`

`I=280mA=0,28A`

`U=0,005kV=5V`

`U_1=2350mV=2,35V`

`a,` (Hình)

`b,`

Hiệu điện thế hai đầu nguồn điện là số chỉ của Vôn kế `V`: `U=0,005kV=5V`

Hiệu điện thế hai đầu bóng đèn `Đ_1` là số chỉ của Vôn kế `V_1`: `U_1=2350mV=2,35V`

Do hai bóng đèn `Đ_1` và `Đ_2` mắc nối tiếp nhau:

`U=U_1+U_2`

`<=>5=2,35+U_2`

`<=>U_2=2,65V`

Vậy, hiệu điện thế hai đầu bóng đèn `Đ_2` là: `U_2=2,65V`

`c,` Khi khóa `K` mở, mạch hở, dòng điện bị chia cắt nên: `I=0A,U_1=0V,U=5V`

image

Thảo luận

Lời giải 2 :

Đáp án:

 

Giải thích các bước giải:

 a) Dòng điện đi từ dương sang âm

b)

Hiệu điện thế giữa 2 đầu nguồn điện: `0,005kV = 5V`

Hiệu điện thế qua `Đ_1: `U_1 = 2350 mV = 2,35 V`

Hiệu điện thế qua đèn 2:

Vì `Đ_1 ntĐ_2=> U = U_1 +U_2 => U_2 = U-U_1 = 5 - 2,35 =2,65 V`

c) Khi K mở, mạch điện hở:

`=> I = 0A`

`U_1 = 0 V`

`U=5V`

image

Bạn có biết?

Vật lý học (tiếng Anh:physics, từ tiếng Hi Lạp cổ: φύσις có nghĩa là kiến thức về tự nhiên) là một môn khoa học tự nhiên tập trung vào sự nghiên cứu vật chất và chuyển động của nó trong không gian và thời gian, cùng với những khái niệm liên quan như năng lượng và lực.Vật lí học là một trong những bộ môn khoa học lâu đời nhất, với mục đích tìm hiểu sự vận động của vũ trụ.

Nguồn : Wikipedia - Bách khoa toàn thư

Tâm sự 8

Lớp 8 - Năm thứ ba ở cấp trung học cơ sở, học tập bắt đầu nặng dần, sang năm lại là năm cuối cấp áp lực lớn dần nhưng các em vẫn phải chú ý sức khỏe nhé!

Nguồn : ADMIN :))

Copyright © 2021 HOCTAP247